Toggle navigation
Home
Produits
Capri
Compactline
Production “just in time” sur le chantier
Grands Formats jusqu’à 160x360 cm
Robustus
Greenline
Starline
Industrialine
Brique
Stone & Co.
Robotics
Verre
Accessoires et pieces de rechange
Machines d occasion
Rèseau Commercial
News/Événements
Info
Contacts
Home
Produits
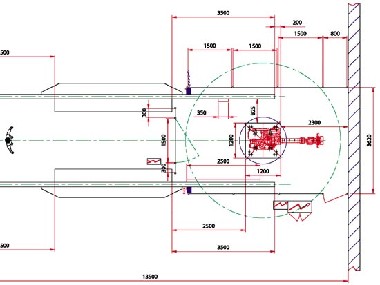
ROBOGLASS 3000
Demander plus d’informations